Index of /2-SCHEMATICS/BY-BRAND/CITATION

Icon  Name                    Last modified      Size  Description
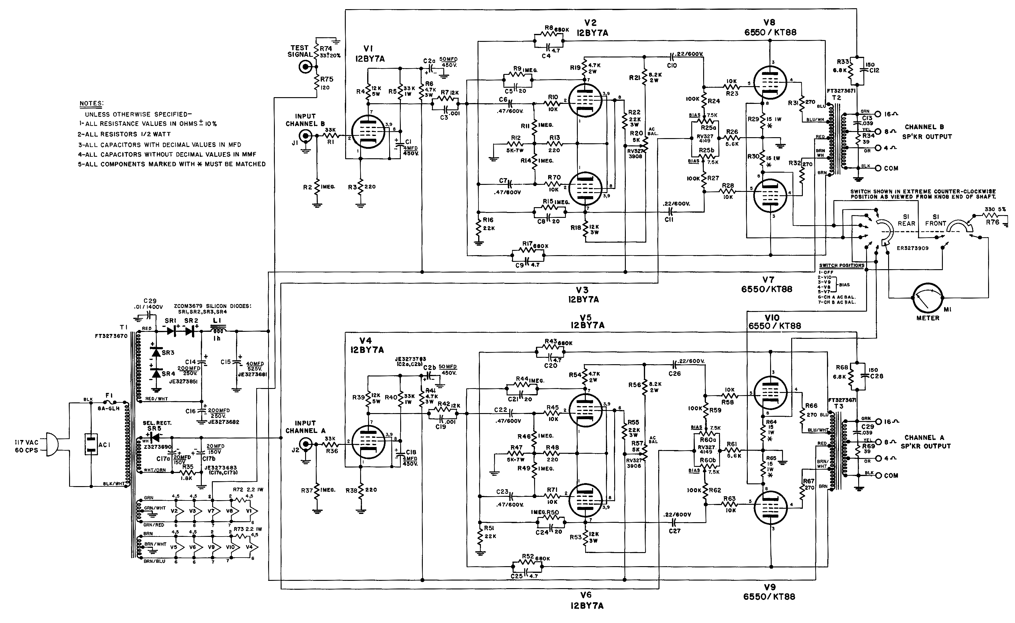
[PARENTDIR] Parent Directory - [IMG] Citation2-KT88-6550-..> 2026-03-27 22:30 278K